У вас не стоит Flash Player
Настройки
#28066 - Mon May 30 2011 04:52 PM Алгоритм работы с позициям в TSLab
Nektodron Offline

Carpal Tunnel

Registered: Thu Oct 23 2008
Записи: 5492
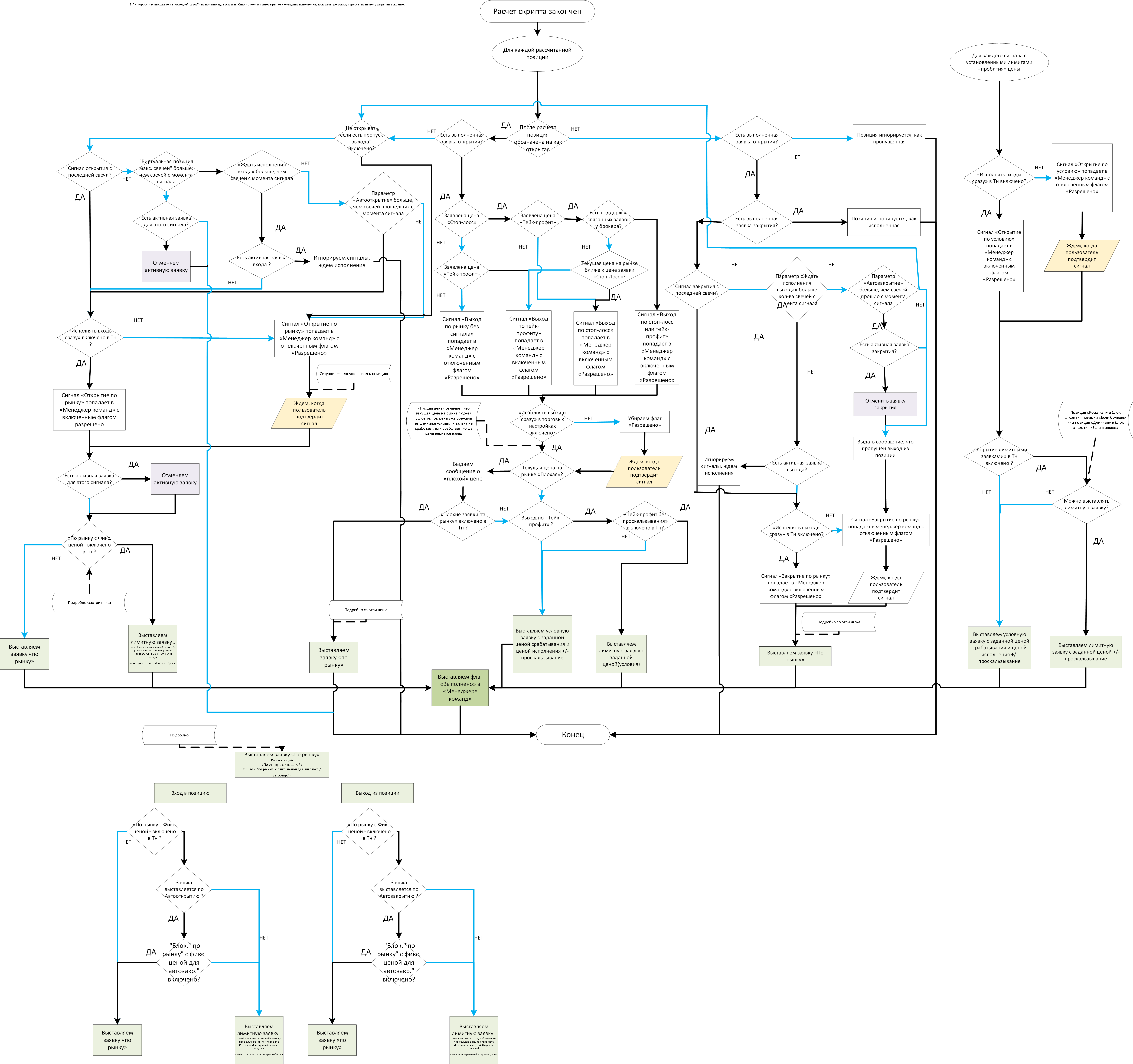
Здесь в виде блок-схемы представлено, как в зависимости от различных опций выставляются заявки в торговую систему.

Для версии 1.2


Для версии 2.0:


Attachments
алгоритм работы с заявками в TSLab.jpg (3771 downloads)
АлгоритмРаботыСзаявками для 2.png (997 downloads)



Отредактировано ViL (Wed Dec 05 2018 01:01 PM)

Наверх
#28072 - Mon May 30 2011 05:46 PM Re: Алгоритм работы с позициям в TSLab [Re: Nektodron]
lev Offline
newbie

Registered: Thu May 05 2011
Записи: 33
Спасибо, последний вопрос. Почему после вызова TSLabSecurity.Positions.BuyIfLess никаких заявок в списке свои заявки tslab не появилось? Согласно алгоритму должна была выставиться условная заявка, да и вообще просто появиться заявка или выдаться сообщение о невозможности ее выставления. А ее нет.

Наверх
#28084 - Mon May 30 2011 08:09 PM Re: Алгоритм работы с позициям в TSLab [Re: lev]
ViL Offline
TSLab
Carpal Tunnel

Registered: Sun Oct 17 2010
Записи: 8143

Наверх


Moderator:  ViL, sar